网站首页
产品中心
混合式步进电机
直线步进电机
减速步进电机
闭环步进电机
双轴/空心轴步进电机
扁平步进电机
多层步进电机
永磁式步进电机
直流无刷电机
驱动器
关于福得
公司简介
荣誉资质
企业风采
新闻动态
产品新闻
行业新闻
公司新闻
技术资料库
选型指南
目录祥册
行业应用
常见问题
联系我们
联系方式
人才中心
招贤纳士
网站首页
产品中心
混合式步进电机
直线步进电机
减速步进电机
闭环步进电机
双轴/空心轴步进电机
扁平步进电机
多层步进电机
永磁式步进电机
直流无刷电机
驱动器
关于福得
公司简介
荣誉资质
企业风采
新闻动态
产品新闻
行业新闻
公司新闻
技术资料库
选型指南
目录祥册
行业应用
常见问题
联系我们
联系方式
人才中心
招贤纳士
混合式步进电机
+
14mm电机
20mm电机
28mm电机
35mm电机
39mm电机
42mm电机
57mm电机
60mm电机
86mm电机
110mm电机
直线步进电机
+
外驱式螺杆
+
20mm电机
28mm电机
35mm电机
39mm电机
42mm电机
57mm电机
贯通式螺杆
+
20mm电机
28mm电机
35mm电机
39mm电机
42mm电机
57mm电机
86mm电机
固定式轴式直线
+
20mm电机
28mm电机
35mm电机
减速步进电机
+
经济减速箱
+
20mm
28mm
35mm
39mm
42mm
57mm
60mm
86mm
精密减速箱
+
35mm
39mm
42mm
57mm
闭环步进电机
+
20mm电机
28mm电机
35mm电机
39mm电机
42mm电机
57mm电机
60mm电机
86mm电机
双轴/空心轴步进电机
+
20mm电机
28mm电机
35mm电机
39mm电机
42mm电机
57mm电机
60mm电机
86mm电机
扁平步进电机
+
28mm电机
42mm电机
46mm电机
57mm电机
多层步进电机
永磁式步进电机
+
20mm电机
25mm电机
直流无刷电机
驱动器
+
2相驱动器
3相驱动器
闭环驱动器
35mm直线电机
型号:35mm直线电机
简介:
机座大小:35mm
保持力矩:0.2N.m
额定电流:0.7-1.0A
电机长度:30-42mm
根据您的要求定制 :020-36907671
在线咨询
返回列表
产品介绍
接线图
规格参数
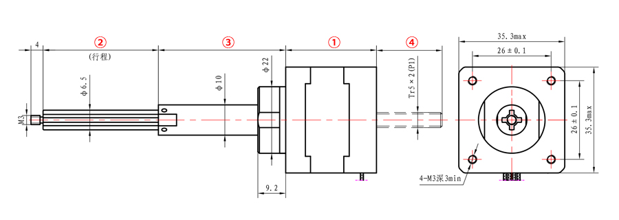
①
②
③
④
机身长度
行程
尺寸
尺寸
30 mm
42 mm
12.7mm
16.9mm
1.3mm Max
38.1mm
42mm
21.7mm Max
客服QQ
联系电话
+86-020- 3690-7671
扫一扫
扫一扫